Mini Rail System
Unique system to handle light & medium weight packages.
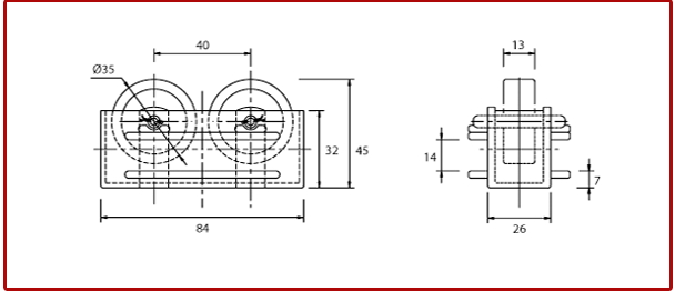
Unique system to handle light and medium weight packages. The Plastic Assembly is slided in the standard Metal C Channel. Ideal solution for Table Top Conveying of lightweight articles up to 10kgs.


